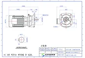
▷ DSK 7.5kW(10HP)-4P 수평형 감속기 도면
-. MFG 48D-5, 10, 15RS 7.5-4 (고효율모터 부착)
-. MFG 56D-20RS 7.5-4 (고효율모터 부착)
-. MFG 63D-30RS 7.5-4 (고효율모터 부착)
-. MFG 63T-45, 50, 60RS 7.5-4 (고효율모터 부착)
MFG48D-5,10,15RS7.5-4_고효율모터.dwg
MFG63T-45,50,60RS7.5-4_고효율모터.dwg
MFG48D-5,10,15RS7.5-4_?????.dwg
0.12MB
MFG56D-20RS7.5-4_?????.dwg
0.12MB
MFG63D-30RS7.5-4_?????.dwg
0.12MB
MFG63T-45,50,60RS7.5-4_?????.dwg
0.12MB
'기술자료' 카테고리의 다른 글
| 배관관련 규격표 배관규격 파이프규격 pipe규격 후렌지규격 flange 플랜지사양 flange size (0) | 2013.08.14 |
|---|---|
| 일반 범용모터의 사양 (후레임 번호, 축경, 암페어, 회전수) (0) | 2013.03.17 |
| DSK GEARED MOTOR 수직형 7.5HP-4P CAD (0) | 2013.01.14 |
| DSK GEARED MOTOR 수평형 7.5HP-4P CAD 도면 (0) | 2013.01.14 |
| DSK 감속모타 5HP 도면 - 수직형 (0) | 2013.01.06 |