제작 및 수리
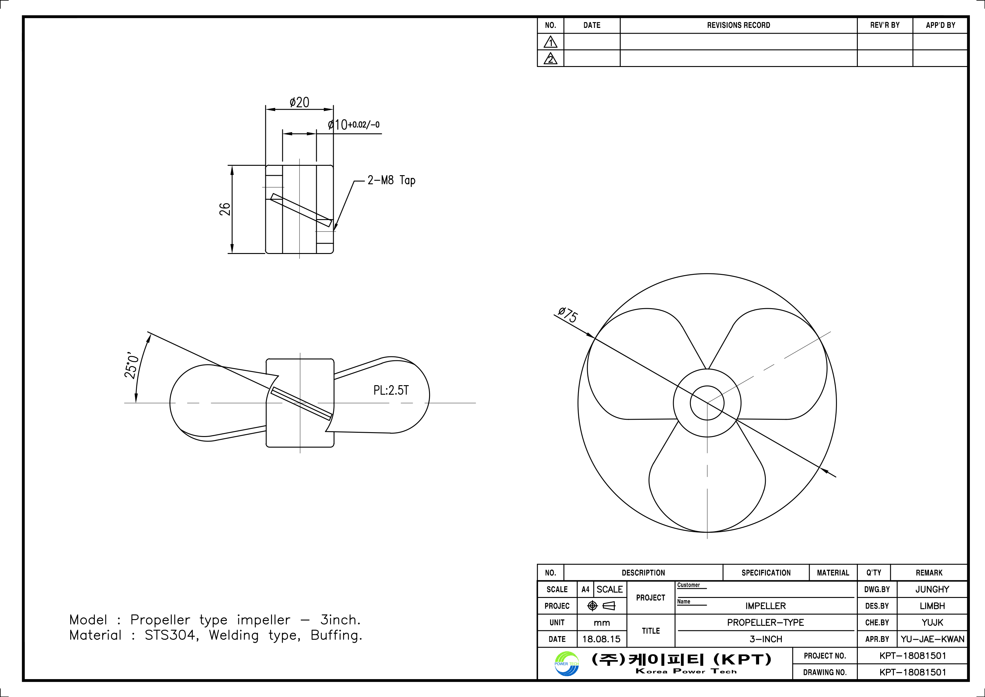
소형 교반기용 임펠러, 소형 프로펠러 임펠러, 소형 분산형 임펠러, 소형 터빈 임펠러, 소형 디졸버 임펠러, 소형 임페라, 소형 교반기 날개, SUS 임펠러, 3엽 날개, 톱니 임펠라, 임펠러 조립방..
by technical talk
2020. 9. 22.
▶ 교반기용 소형 임펠러 (Propeller Impeller & Dispersed Turbin Impeller)
| Screw Conveyor, 스크류 컨베이어 제작, 운반기계, 이송장치 제작 (0) |
2020.11.22 |
| 30톤 산분해간장 반응탱크 교반기 제작, 교반기 고장원인, 교반기 유지관리 방법, 교반기 임펠러, 용해탱크 제작, 반응기 탱크 제작, SUS 탱크 제작 전문회사 (주)케이피티 (KPT) (0) |
2020.09.28 |
| 수산화칼슘 제품 저장조 교반기 수리, 액상소석회 숙성탱크 교반기용 감속기 제작 및 수리, 제품 저장탱크 제작, 숙성탱크 제작 전문회사 (주)케이피티 KPT (사이버설비보전) (0) |
2020.08.09 |
| 중질탄산칼슘 제조탱크 제작설치, 교반탱크 제작, 교반기 제작, 교반용 감속기 제작, 싸이크로감속기 제작, 교반기 문제점 해결, 교반기 임펠러 (0) |
2020.08.05 |
| 소포제 탱크 교반기 수리, 발효조 탱크 교반기 수리공사, 메카니칼씰 사용 설명서 메뉴얼, 교반기용 메카니칼 씰, 교반기 제작, 교반기용 탱크 제작 전문회사-(주)케이피티 KPT (0) |
2020.08.04 |