기술자료
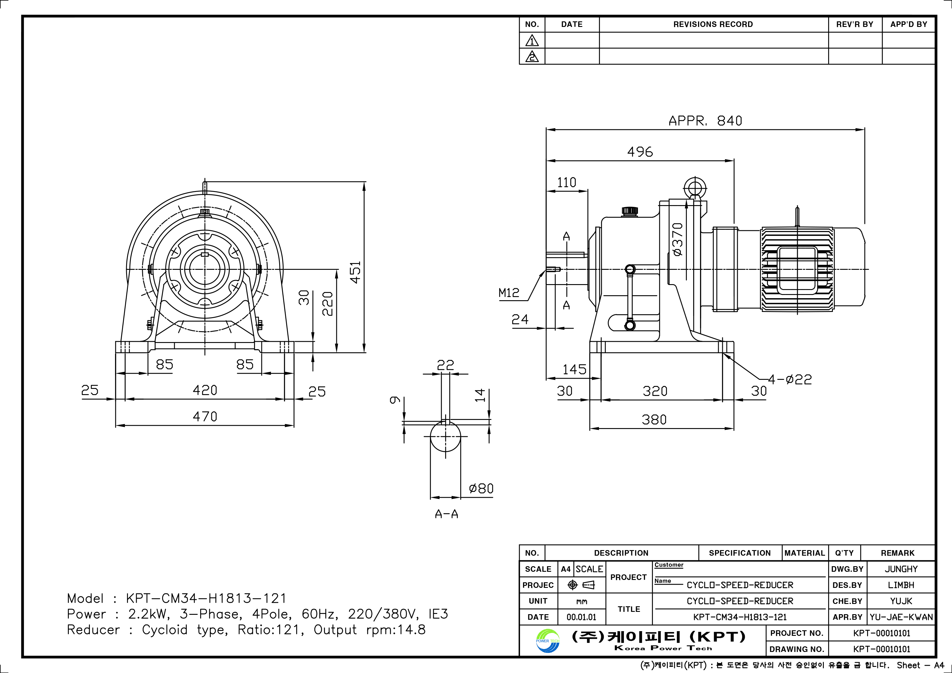
수평형 3HP×4P-121 (KPT-CM-H1813-121) 싸이크로감속기 도면 다운로드 CYCLO REDUCER 제작 및 수리 전문 회사
by technical talk
2020. 12. 28.
'기술자료' 카테고리의 다른 글
| 수평형 싸이크로 감속기 7.5HP×4P-319 (KPT-CM84-H2113N-319) 캐드 도면 다운로드, 감속기 cad 도면, 고비율 감속기, 싸이크로감속기 제작회사 (주)케이피티(KPT), CYCLO DRIVE 수리 (0) |
2021.01.11 |
| 싸이크로감속기 도면, 수직형 KPT-CM304-V19-29, 30마력 4극 1/29, 교반기용 감속기 전문 제작 회사 (주)케이피티(KPT), 캐드파일 다운로드, CYCLO REDUCER, 감속기 문제 해결 전문 (0) |
2021.01.10 |
| 싸이클로이드 감속기 도면 다운로드, 수직형 20HP×4P-59 (KPT-CM204-V19-59), 2D CAD 도면, 사이버설비보전, (주)케이피티 (0) |
2020.12.27 |
| 싸이크로감속기, 수직형 7.5HP×4P-121 (KPT-CM84-V1813-121) 도면 다운로드, Cyclo reducer, Cyclo drive, 싸이클로이드 감속기 제작 및 수리 전문업체 (주)케이피티 KPT (0) |
2020.12.27 |
| 경도환산표, 열처리 경도 환산표, HRA, HRB, HRC, HRD, HV, HB, HS, HRF (0) |
2020.11.21 |