기술자료
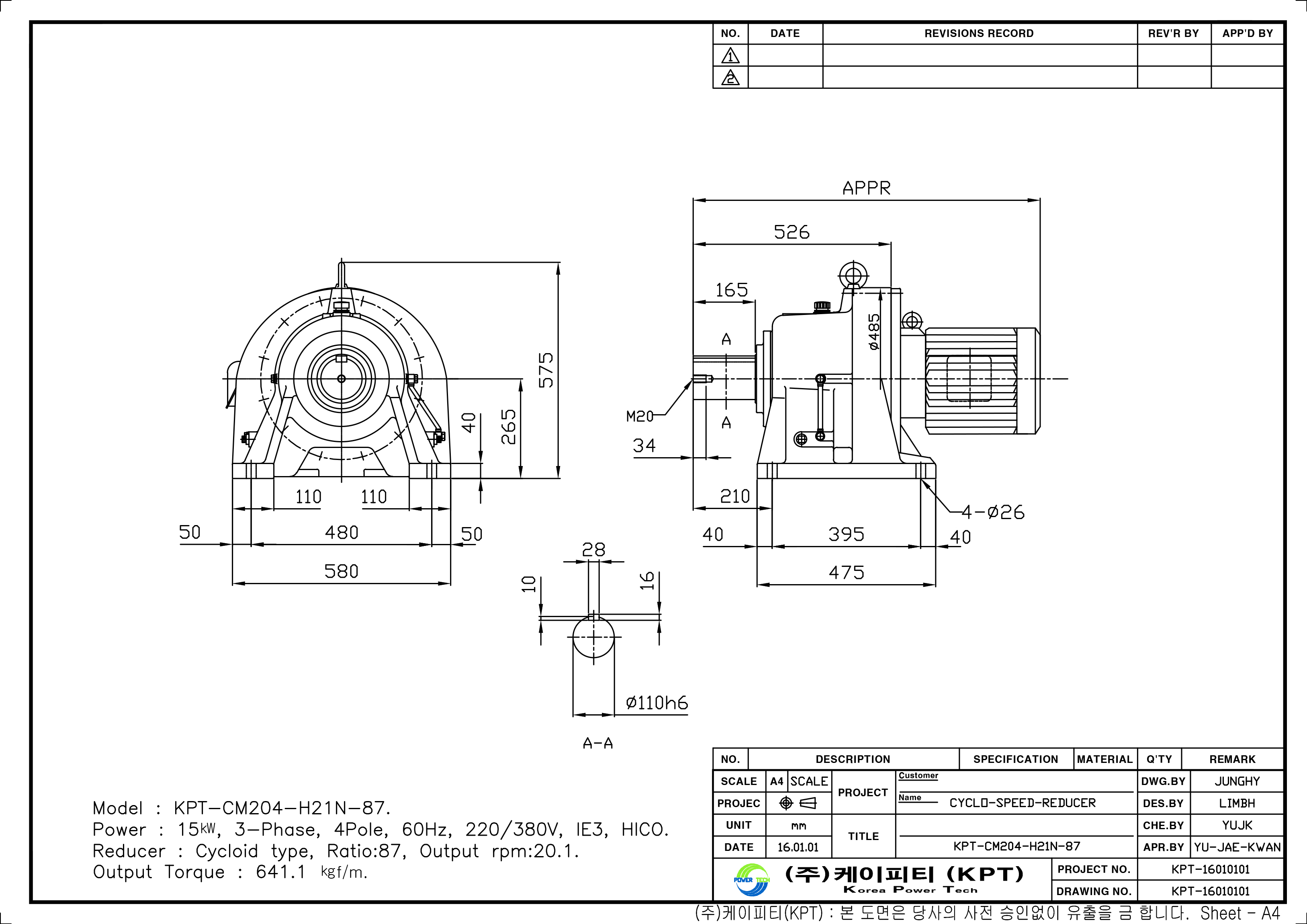
CYCLO REDUCER 수평형 20HP×4P-87 (KPT-CM204-H21N-87), 싸이크로 감속기 ACD 도면 다운로드 케이피티(KPT) 사이버설비보전
by technical talk
2021. 1. 16.
'기술자료' 카테고리의 다른 글
| 싸이크로감속기 캐드 도면 제공, KPT-CL-H18-11, 수평형 라인파워 감속기 제작, 수리 전문 회사 (주)케이피티(KPT) (0) |
2022.03.14 |
| 싸이크로감속기 도면 Cycloid speed reducer 제작 및 수리 전문회사 - (주)케이피티 KPT (0) |
2022.03.10 |
| 수평형 라인파워 싸이크로 감속기 도면 KPT-CL-H2113-841, CYCLO REDUCER 제작회사, 싸이클로이드 기어 감속기, 케이피티 KPT, 감속기 제작 및 수리, 각종 수입품 감속기 수리 가능 (0) |
2021.01.12 |
| 수평형 싸이크로 감속기 7.5HP×4P-319 (KPT-CM84-H2113N-319) 캐드 도면 다운로드, 감속기 cad 도면, 고비율 감속기, 싸이크로감속기 제작회사 (주)케이피티(KPT), CYCLO DRIVE 수리 (0) |
2021.01.11 |
| 싸이크로감속기 도면, 수직형 KPT-CM304-V19-29, 30마력 4극 1/29, 교반기용 감속기 전문 제작 회사 (주)케이피티(KPT), 캐드파일 다운로드, CYCLO REDUCER, 감속기 문제 해결 전문 (0) |
2021.01.10 |