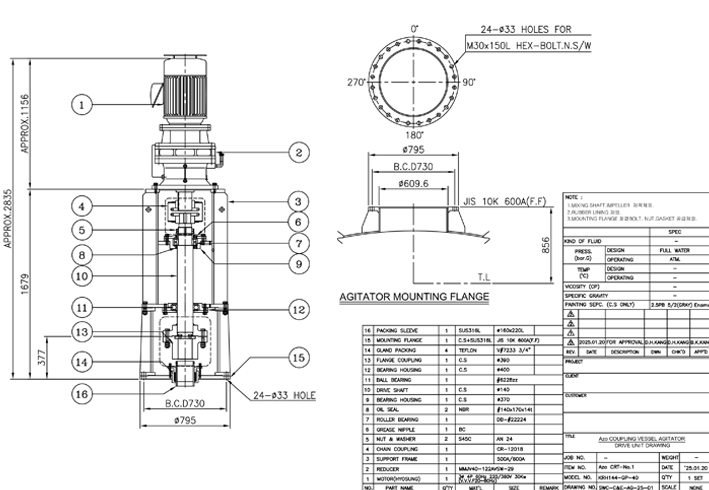
▶ 대형 교반기 제작








주식회사 케이피티(KPT)는 화학플랜트, 배관, 오폐수관련 설비, 대형 감속기, 싸이크로감속기, 교반기 전문 제작 회사입니다. 혼합, 각종 탱크류, 교반기용 탱크류, 반응탱크, 중화탱크, 농축탱크, 써스탱크, 철탱크, 발효탱크, 혼합탱크, 믹서탱크, 자켓탱크, SUS탱크, SUS 배관, 2중배관, 침전조 탱크, 라이닝 탱크, 코팅 탱크, 교반기, 혼합기, 믹서기, 믹서날, 교반날, 임페라, 임펠러, 테플론 교반기, 라바 교반기, FRP 교반기, STS316L 교반기, 철탱크, 발효탱크, 액석회 생산 기계류, 수산화칼슘 플랜트, 소석회 기계, 물탱크, 저장탱크, 음식물 발효 탱크, 액비 탱크, 오폐수 처리 기계, DECANTER, 디켄터, 데칸타 수리, 데칸타 중고 수리, 데칸타 설치, 돔밸브 제작, 침전조 스크레퍼 제작, 침전조 감속기, 싸이크로감속기 제작, 원심분리기, 탈수기, 농축기 제작 및 수리전문 회사입니다.
'제작 및 수리' 카테고리의 다른 글
| MIZUHO 디졸버(DISSOLVER) 수리, VACUUM MIXER, 화장품 원료 진공 디졸버 정비, 1300㎏과 650㎏ 2대 정비 작업 (0) | 2026.01.14 |
|---|---|
| 원심분리기, SCREW DECANTER, 농축기, 데칸타, 스크류 데칸타 수리 전문 (0) | 2026.01.10 |
| 수산화칼슘 반응탱크 품질 향상 및 생산량 증대 개선 공사, 소석회 용해 탱크 제작 (0) | 2026.01.04 |
| 노후 저장 탱크 부식으로 인한 제품 유출, 탱크 보수공사, 탱크 수리, 탱크 누수 작업 (0) | 2025.12.22 |
| 수산화칼슘, 소석회, Ca(OH)2, 액석회 원형 선별기, 트위스트 스크린, 바이브레타 스크린, 진동 스크린 설치 (0) | 2025.12.01 |